南京宏聚电子有限公司
HONGJU (NANJING) ELECTRONIC CO,.LTD
全国服务热线:
025-85509217
首页
关于我们
宏聚简介
产品中心
船型开关
按键开关
金属按键开关
带灯轻触开关
AC电源插座
保险丝座
滑动开关
钮子开关
琴键开关
旋转拨码开关
微动开关
轻触开关
应用领域
电器行业
医疗行业
汽车行业
美容行业
高铁行业
安防行业
新闻资讯
联系我们
电话咨询
网站首页
关于我们
宏聚简介
产品中心
船型开关
按键开关
金属按键开关
带灯轻触开关
AC电源插座
保险丝座
滑动开关
钮子开关
琴键开关
旋转拨码开关
微动开关
轻触开关
应用领域
电器行业
医疗行业
汽车行业
美容行业
高铁行业
安防行业
新闻资讯
联系我们
网站首页
微动开关
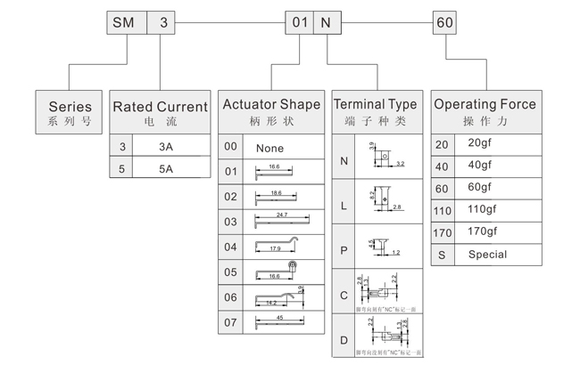
SM中型微动开关
SW5-00N(防水型)
网站导航
DM小型微动开关
DM小型微动开关
SM中型微动开关
SM中型微动开关
VM大型微动开关
VM大型微动开关
免费咨询热线
025-85509217
SM中型微动开关
SW5-00N(防水型)
返回上一页
上一篇 : 没有了
下一篇 : SM3-05N
首页
电话
热线电话
025-85509217
Email
邮箱
jpkg@163.com
微信号
手机扫一扫打开
回到顶部